WT588F02KD-32N语音芯片:智能电饭煲的语音交互革新方案
2025-11-20 09:00:16
一、智能电饭煲的语音交互新时代
1.1 电饭煲产品的智能化转型
随着智能家居技术的快速发展,现代电饭煲已从简单的"煮饭工具"升级为集智能化、人性化于一体的厨房中心。语音提示功能作为提升用户体验的关键要素,正成为高端电饭煲产品的标准配置。这一转变不仅体现了技术进步,更反映了消费者对厨房电器智能化、便捷化的迫切需求。

1.2 语音交互的技术价值
在烹饪过程中,用户往往无法时刻关注电饭煲的工作状态。语音提示功能能够及时播报烹饪进度、完成状态和异常情况,让用户在不中断其他家务活动的情况下掌握烹饪状态。作为专业的语音IC厂家,广州唯创电子推出的WT588F02KD-32N语音芯片,为电饭煲制造商提供了完美的语音解决方案。
二、WT588F02KD-32N芯片的技术优势
2.1 核心参数与架构设计
WT588F02KD-32N是一款高性能16位DSP语音芯片,具有卓越的技术特性:
处理核心与存储
16位DSP内核,32MHz内部振荡频率2M bit Flash存储容量,支持约170秒语音内容(16KHz采样率)
支持6KHz-32KHz采样率的WAV文件转换
电源管理与输出
宽电压工作范围2.0V-5.5V,适应性强超低待机功耗小于5μA,符合节能要求
16位PWM输出,可直接驱动8Ω0.5W喇叭
2.2 独特的集成化设计
WT588F02KD-32N在集成度方面表现突出:
多功能集成
单芯片集成语音播报与数码管显示驱动功能QFN32紧凑封装,适合电饭煲有限的设计空间
内置PWM功放,无需外接功放芯片
灵活的可编程性
支持通过UART串口重复烧录语音内容配套下载器支持语音内容便捷更新
无需复杂配置即可实现功能定制
三、电饭煲语音方案设计详解
3.1 硬件系统架构
基于WT588F02KD-32N的电饭煲语音方案采用简洁的硬件设计:
核心连接方案
两线串口连接主控MCU,实现指令传输BUSY状态信号反馈,确保语音播报同步
PWM音频输出直推喇叭,简化电路设计
系统优化设计
抗干扰布局,适应电饭煲高温高湿环境精简的外围电路,降低物料成本
可靠的电源设计,确保系统稳定运行
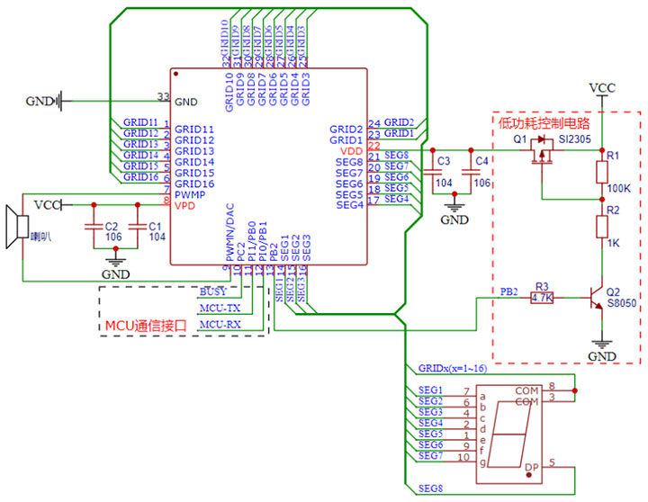
系统框图
MCU与WT588F02KD-32N连接框图

3.2 软件控制流程
智能语音提示系统包含完整的控制逻辑:
启动初始化
上电后MCU初始化语音芯片(约200ms等待时间)播放开机欢迎语音,建立品牌印象
系统自检并准备接收用户指令
烹饪过程管理
模式选择时播报确认提示烹饪过程中阶段性语音提醒
实时显示剩余烹饪时间
完成时播放提示音,避免遗忘
WT588F02KD-32N典型应用电路

四、语音内容设计与用户体验
4.1 全方位语音提示体系
WT588F02KD-32N支持224段语音地址,可构建完整的语音提示系统:
基础操作提示
开机问候语:"欢迎使用智能电饭煲"操作确认音:"已选择煮饭模式"
关机提示音
烹饪状态播报
各烹饪阶段提示:"开始烹饪"、"进入保温模式"进度提醒:"米饭正在焖煮中"
完成提示:"美味米饭已煮好,请享用"
安全预警系统
温度异常报警水位不足提醒
故障状态提示
4.2 特殊群体关怀设计
语音提示功能特别注重包容性设计:
老年人友好
清晰洪亮的语音播报重要操作重复提示
简单直观的语音反馈
视障人士支持
完整的语音操作指引状态语音反馈
异常情况语音预警
五、方案实施效果与价值
5.1 用户体验提升
WT588F02KD-32N方案显著提升了电饭煲的使用体验:
操作便捷性
语音实时反馈,无需紧盯显示屏多任务烹饪时也能掌握进度
直观的语音提示降低学习成本
安全性能增强
异常状态即时语音报警防止干烧等危险情况
烹饪完成及时提醒,避免安全隐患
5.2 产品竞争力提升
该方案为电饭煲产品带来显著的市场优势:
差异化竞争
语音功能增强产品科技感提升产品档次和品牌形象
满足消费者对智能化产品的期待
成本优化
单芯片实现语音与显示功能减少外围元件数量
降低生产成本和维护成本
六、应用案例与未来发展
6.1 实际应用成效
基于WT588F02KD-32N的电饭煲方案已在多个品牌产品中成功应用:
功能实现
多模式语音提示系统智能状态播报机制
实时数码管时间显示
完善的异常报警系统
用户反馈
操作便利性获得用户好评语音提示功能深受老年人欢迎
产品差异化特征增强市场竞争力
6.2 技术演进方向
作为专业的语音IC厂家,广州唯创电子持续推动技术升级:
功能扩展
语音识别交互功能集成多语言语音包支持
个性化语音定制服务
智能家居生态互联
技术优化
更丰富的语音采样选项增强的抗干扰能力
更低的功耗设计
更简便的开发工具
七、总结与展望
WT588F02KD-32N语音芯片凭借其高度集成、超低功耗、强大抗干扰能力和简便的操作特性,为电饭煲产品提供了理想的语音解决方案。该方案不仅显著提升了产品的智能化水平和用户体验,还为制造商降低了开发成本和生产成本。
随着智能家电市场的持续发展,WT588F02KD-32N将在电饭煲及更多厨房电器中发挥重要作用。作为专业的语音IC厂家,广州唯创电子将继续致力于语音技术的创新研发,为家电企业提供更先进、更完善的语音解决方案,推动家电产品向更智能、更人性化的方向发展,让科技真正服务于人们的美好生活。




308040936@qq.com
138-0273-1296
广州市花都区新华街天贵大厦A座704-708室
138-0273-1296